Grey Iron Grades
There are many different grey iron grades
in different countries and standards, however, most of grades have
same requirements to the mechanical properties, especially to
tensile strength. The followings are the main grey cast iron grades
worldwide.
|
Country |
Standard |
Equivalent
Grades of Grey Iron (Gray Cast Iron) |
|
ISO |
ISO 185 |
100 |
150 |
200 |
250 |
300 |
350 |
- |
|
China |
GB 9439 |
HT100 |
HT150 |
HT200 |
HT250 |
HT300 |
HT350 |
- |
|
USA |
ASTM A48 |
- |
NO.20
NO.25 |
NO.30 |
NO.35 |
NO.40
NO.45 |
NO.50 |
NO.55
NO.60 |
|
Germany
Austria |
DIN 1691 |
GG10 |
GG15 |
GG20 |
GG25 |
GG30 |
GG35 |
GG40 |
|
European |
EN 1561 |
EN-GJL-100 |
EN-GJL-150 |
EN-GJL-200 |
EN-GJL-250 |
EN-GJL-300 |
EN-GJL-350 |
|
|
Japan |
JIS G5501 |
FC100 |
FC150 |
FC200 |
FC250 |
FC300 |
FC350 |
- |
|
Italy |
UNI 5007 |
G10 |
G15 |
G20 |
G25 |
G30 |
G35 |
- |
|
France |
NF A32-101 |
- |
FGL150 |
FGL200 |
FGL250 |
FGL300 |
FGL350 |
FGL400 |
|
UK |
BS 1452 |
100 |
150 |
200 |
250 |
300 |
350 |
- |
|
India |
IS 210 |
- |
FG150 |
FG200 |
FG260 |
FG300 |
FG350 |
FG400 |
|
Spain |
UNF |
- |
FG15 |
FG20 |
FG25 |
FG30 |
FG35 |
- |
|
Belgium |
NBN 830-01 |
FGG10 |
FGG15 |
FGG20 |
FGG25 |
FGG30 |
FGG35 |
FGG40 |
|
Australia |
AS 1830 |
- |
T150 |
T220 |
T260 |
T300 |
T350 |
T400 |
|
Sweden |
SS 14 01 |
O110 |
O115 |
O120 |
O125 |
O130 |
O135 |
O140 |
|
Norway |
NS11 100 |
SJG100 |
SJG150 |
SJG200 |
SJG250 |
SJG300 |
SJG350 |
- |
|
Min. Tensile Strength (Mpa) |
100 |
150 |
200 |
250 |
300 |
350 |
- |
The Mechanical Properties of Grey Iron Material
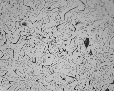
The following is the microstructure of
grey iron. The graphite is existed by flake shapes. Therefore, the
stress will be concentrated at the end position of graphite. So, its
tensile strength is small, and almost no yield strength and
elongation properties.
If the customers have special
requirements to the hardness, then the iron foundries could meet the
requirements by adjusting their chemical composition. Otherwise, the
tensile strength will be the only yard to judge the mechanical
properties.

Home |
More Articles |